- Si-TEC Xtend ADG
- Application : turbines à vapeur, turbines à gaz
- Application : moteurs diesel, moteurs à gaz
- Application : compresseurs
Applications
La gamme de systèmes de régulation numérique Si-TEC Xtend comprend le contrôleur numérique avancé (ADG – Advanced Digital Governor) :
– Contrôleur pour les applications d’entraînement mécanique de turbines à vapeur (pompes, compresseurs, ventilateurs, broyeurs, etc.).
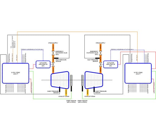
– Utilisé pour les applications à vitesse constante et variable en « entraînement simple » et pour les applications de partage de charge mécanique en « double entraînement » (tandem).
Le Si-TEC Xtend ADG (régulateur numérique avancé) est un système de régulation pour turbines à vapeur conçu pour les applications d’entraînement mécanique (pompes, compresseurs, ventilateurs, broyeurs, etc.). Développé initialement en 1991, il s’est depuis imposé comme la référence en matière de régulation de turbines à vapeur. Grâce à ses nombreuses fonctionnalités et à sa large gamme de régulateurs PID de vitesse, le Si-TEC ADG est devenu le choix standard pour de nombreux exploitants de turbines à vapeur. La gamme de régulateurs numériques intégrés Si-TEC est reconnue internationalement pour son niveau de contrôle optimal et pour une large gamme d’applications, notamment les turbines à vapeur et les moteurs alternatifs (diesel ou essence).
La commande de turbine Si-TEC Xtend ADG (régulateur numérique avancé) est disponible en 2 versions :
- ADG-T pour les applications d’entraînement de turbine à vapeur simple,
- ADG-TT pour les applications d’entraînement de turbines à vapeur en tandem (doubles).
Si-TEC ADG-T our les applications à entraînement unique
Le Si-TEC Xtend ADG-T est utilisé pour les applications à entraînement unique, à vitesse constante ou variable.
Si-TEC ADG-TT pour les applications de partage de charge à double entraînement
L’Si-TEC Xtend ADG-TT est utilisé pour les applications de partage de charge à double entraînement (en tandem), à vitesse constante ou variable.
Applications
- Pétrochimie
- Sucreries
- Pétrole et gaz
- Centrales électriques
- Pompes
- Ventilateurs
- Compresseurs
Domaines d’application
- Large gamme d’entraînements mécaniques : pompes, compresseurs, broyeurs, déchiqueteurs, ventilateurs, souffleurs, etc.
- Régulation de vitesse variable d’une turbine unique par consigne interne ou externe
- Régulation de vitesse constante d’une turbine unique par consigne interne
- Turbines multiples entraînant un arbre commun (tandem)
- Contrôle de processus – pour les applications à vitesse variable
Description
Les caractéristiques détaillées du contrôleur Si-TEC Xtend ADG sont les suivantes :
- Régulation précise de la vitesse, généralement à 0,1 % près de la vitesse nominale en régime permanent
- Séquence de démarrage/arrêt automatique déclenchée par une seule entrée logique pour un démarrage garanti
- Plusieurs PID à large plage
- Interface généralement compatible avec les actionneurs tout électriques, offrant un retour d’information de position instantané
- Cycle de démarrage rapide (« démarrage à chaud ») pour turbine chaude
- Fonction de maintien de la température pendant la séquence de démarrage de la turbine, basée sur la température du carter (entrée RTD)
- Élimination des bruits et des harmoniques grâce à la conception
- Détection à basse vitesse (par capteur de proximité)
- Test de déclenchement contrôlé en cas de survitesse
- Alarmes configurables et multifonctionnelles
- Fonctions de réglage pour optimiser l’ajustement
- Fonctions de diagnostic étendues
- Entrées et sorties 4-20 mA sélectionnables par l’utilisateur
- Sorties relais sélectionnables par l’utilisateur
- Interface E/S externe pour automate programmable/DCS/SCADA, etc. Entrées/sorties extensibles – Numériques, analogiques et thermocouples
- Configuration via le clavier Si-TEC ou par ordinateur
- Port de communication RS232 pour la configuration, le réglage et les diagnostics
- Port Modbus RS485 pour l’interface avec les systèmes DCS, SCADA, etc., pour la surveillance et le contrôle à distance
- Port LAN RS485 Si-TEC pour la communication entre les modules Si-TEC Xtend
- Contrôle de processus (par exemple, contrôle de la pression d’aspiration, contrôle de la pression de refoulement, contrôle de niveau, etc.)
- Avertisseur de turbine Opal – interface d’affichage/d’alarme à distance via le port CAN pour l’application d’entraînement unique Si-TEC Xtend ADG-T
Démarrage de la turbine
- Sortie relais de pré-lubrification et de roulement – disponible
- Sortie relais pour la commande de la vanne d’isolement (vanne vapeur principale) – disponible
- Étapes de préchauffage prédéfinies pour la séquence de démarrage
- Séquence de préchauffage raccourcie pour les turbines chaudes
- Démarrage rapide pour les turbines à température de fonctionnement
- Référencement de la vitesse de démarrage à distance 4-20 mA – disponible
- Deux plages de vitesse critiques – fonctionnement dans tous les modes de préchauffage
- Vitesses de montée en vitesse normale et rapide pour le démarrage
Contrôle
- La vitesse de fonctionnement peut être référencée par :
- Consigne numérique (augmentation/diminution)
- Entrée externe 4-20 mA
- Via communication Modbus
- Réglage des valeurs minimales et maximales de fonctionnement dans le menu Vitesses
- Vitesses de variation de vitesse utilisées lors du changement de consigne
- PID à vitesses multiples
- PID de contrôle de processus
Caractéristiques d’affichage
- Affichage 4 x 20 caractères avec fonction de rétroéclairage clignotant pour les alarmes actives
- Menus à plusieurs niveaux pour un accès facile et rapide
- Clavier amélioré pour la navigation dans les menus
- Touches spéciales pour accéder directement aux menus
- Maintien des valeurs de crête
- Affichage des informations système complètes dans les menus
- Affichage des données cumulées
- Application pour entraînement tandem (double) pour Si-TEC Xtend ADG-TT
Caractéristiques d’E/S
-
- Pilotes d’actionneurs pour :
- tous les actionneurs électriques de 6 à 180 Nm (avec retour de position positif sans contact) :
- 4-20 mA
- 0-200 mA
- 0-10 A
- 0-5 V
- PWM.
- Pilotes d’actionneurs pour :
- 16 entrées logiques avec indication d’état par LED, dont 13 personnalisables pour diverses applications, notamment : « Vitesse nominale », « Vitesse rapide », « Maintien de séquence », « Test de survitesse (automatique) », « Contrôle de processus », etc.
- 8 sorties relais avec indication d’état par LED, personnalisables pour des fonctions de contrôle, d’état ou d’alarme.
- Les relais de sortie peuvent avoir plusieurs fonctions en combinant les alarmes.
- 4 entrées analogiques (3 x 4-20 mA, 1 x RTD) pour des applications personnalisées : référence de vitesse, pressions de vapeur, contrôle de processus, etc.
- 3 sorties analogiques (4-20 mA) utilisées.
- Connexions E/S par borniers enfichables.
- Extension E/S sur le port CAN du module local pour 16 entrées logiques supplémentaires, 4 sorties relais, 4 entrées analogiques, 32 thermocouples, etc.
- Surveillance et pilotage des E/S sélectionnées via Modbus.
- Gestion des alarmes et historique des alarmes.
Outils logiciels (Windows®) du contrôleur Si-TEC Xtend ADG
pcConfigure
- Permet le stockage et la récupération des paramètres de consigne d’un module Si-TEC Xtend via un PC
- Fonctionne dans un environnement contrôlé et sécurisé
- Enregistre tous les paramètres de consigne sur disque
- Les données peuvent être envoyées par e-mail
- Les données peuvent être imprimées pour archivage
- Configuration et paramétrage des alarmes par menus
pcTune
- Permet un réglage précis de la turbine et du processus. Diagnostic et réglage à distance possibles.
- Permet un réglage plus précis de la turbine, basé sur les valeurs d’ingénierie réelles.
- Garantit des résultats 100 % reproductibles.
- Caractéristiques de récupération testées par induction d’erreurs et enregistrement graphique des résultats.
- Possibilité d’afficher 16 traces de valeurs numériques sélectionnées par l’utilisateur.
- Plusieurs menus de réglage PID.
- Panneau de commande numérique inclus.
Si-TEC DataView
- Système de surveillance de turbine haute vitesse pour PC, configurable jusqu’à 24 nœuds.
- Inclut un enregistrement de données complet (jusqu’à 100 données par nœud), l’enregistrement d’événements et l’archivage (jusqu’à plusieurs années).
- Extraction des données via Modbus RS485 ou Ethernet (Modbus TCP/IP) via « Datahub ».
- Exportation du fichier journal au format CSV pour un maximum de 20 paramètres.
- Fonctionne indépendamment d’un automate programmable/SCADA.
Fonctionnalités
- Régulation précise de la vitesse, généralement à 0,1 % près de la vitesse de fonctionnement en régime permanent
- Deux capteurs de vitesse MPU (ou de proximité) pour une redondance accrue
- Séquence de démarrage automatique de la turbine
- Commande d’une large gamme d’actionneurs (y compris les actionneurs tout électriques HEINZMANN)
- Large choix de régulateurs PID
- Contrôle de processus (pour applications à vitesse variable)
- Régulation de vitesse variable par consigne interne ou externe
- Régulation de vitesse constante par consigne interne
- Test contrôlé de la protection contre les survitesses
- Nombreuses fonctions d’alarme
- Turbines multiples entraînant un arbre commun (tandem) pour ADG-TT avec partage de charge mécanique (double entraînement) et courbe de linéarisation du partage de charge (double entraînement)
- Configuration flexible
- Diagnostics système complets
- Port de communication dédié pour l’interface PLC/DCS du client
- Extension d’E/S optionnelle
- Compatible avec tous les logiciels PC compatibles Si-TEC : logiciel de réglage convivial (PC Tune)
NEWS
Représentant HEINZMANN-Europa05/01/2026 - 11 h 00 min
NAPEC 2024 et AWF en Algérie03/12/2024 - 11 h 09 min
Expert Woodward au savoir-faire reconnu10/09/2024 - 10 h 33 min- Woodward Algérie25/04/2024 - 16 h 20 min
25 ans de partenariat Woodward21/09/2023 - 9 h 05 min
Applications turbines vapeur et systèmes de contrôle Woodward24/03/2023 - 11 h 49 min
Recherchez un produit
NOS CATALOGUES
Accédez aux fiches produits ► ►
Catalogue WoodwardCatalogue HEINZMANN et Regulateurs Europa
Catalogue Amot
Catalogue Brüel & Kjaer Vibro
NOTRE FAQ
Des questions sur les réglages de vos matériels, sur la fréquence de révision ou l'huile à utiliser ? Accédez à notre FAQ ► ►
APPLICATIONS
Retrouvez nos produits par type d'applications.






